YSE-010~080-08ES, YSE-10ES, YSE-20ES, YSE-25ESK
Round Star
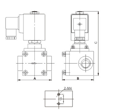
Двухпозиционный двухходовой электромагнитный клапан высокого давления серии YSE 1/4 «~1»
Рабочая среда: воздух, жидкость и т. д.
Рабочее давление: 0-3000бар
Материал корпуса клапана: нержавеющая сталь SS304
Метод ссылки: Резьба G, резьба NPT, настраиваемая резьба Rc
Температура жидкости: -10℃~80℃
Рабочая форма: Тип прямого действия DN1-5 мм, пилотный тип DN6-25 мм
Уплотнительный материал: NBR, опционально EPDM или VITON,
Рабочее напряжение: Низкотемпературная катушка ES (220 В переменного тока запускает 155 ВА и поддерживает 8 ВА, 24 В постоянного тока запускает 44 Вт и поддерживает 6 Вт)

| Модель продукта | Путь потока (мм) | Винтовая резьба (G) | Резюме | Рабочее давление (бар) | Габаритные размеры (мм) | ||
| Нормально закрытый тип | Нормально открытый тип | Нормально закрытый тип | |||||
| 220 В переменного тока | 24 В постоянного тока | А×Б×С | |||||
| YSE-010ES | 1 | 1/4 дюйма или 3/8 дюйма | 0.04 | 0~300 | 0~200 | 0~60 | 44×25×80 |
| YSE-015ES | 1.5 | 0.08 | 0~250 | 0~200 | 0~50 | 44×25×80 | |
| YSE-020ES | 2 | 0.15 | 0~180 | 0~120 | 0~30 | 44×25×80 | |
| YSE-025ES | 2.5 | 0.20 | 0~110 | 0~80 | 0~15 | 44×25×80 | |
| YSE-030ES | 3 | 0.25 | 0~80 | 0~40 | 0~10 | 44×25×80 | |
| YSE-040ES | 4 | 0.6 | 0~40 | 0~15 | 0~5 | 44×25×80 | |
| ЯСЭ-6ЭС | 6 | 1/8 дюйма | 0.7 | 2~160 | 2~100 | 50×30×86 | |
| ЯСЭ-8ES | 8 | 1/4 дюйма | 0.9 | 2~160 | 2~100 | 50×30×86 | |
| ЯСЭ-10ES | 10 | 3/8 дюйма | 3.5 | 6~160 | 6~120 | 6~50 | 60×55×109 |
| ЯСЭ-15ЭС | 15 | 1/2 дюйма | 4.7 | 6~160 | 6~120 | 6~50 | 70×65×119 |
| ЯСЭ-20ES | 20 | 3/4 дюйма | 7.0 | 6~160 | 6~120 | 6~50 | 80×74×124 |
| ЯСЭ-25ЭС | 25 | 1 ' | 11.0 | 6~160 | 6~120 | 6~50 | 90×87×134 |
Двухпозиционный двухходовой электромагнитный клапан высокого давления серии YSE 1/4 «~1»
Рабочая среда: воздух, жидкость и т. д.
Рабочее давление: 0-3000бар
Материал корпуса клапана: нержавеющая сталь SS304
Метод ссылки: Резьба G, резьба NPT, настраиваемая резьба Rc
Температура жидкости: -10℃~80℃
Рабочая форма: Тип прямого действия DN1-5 мм, пилотный тип DN6-25 мм
Уплотнительный материал: NBR, опционально EPDM или VITON,
Рабочее напряжение: Низкотемпературная катушка ES (220 В переменного тока запускает 155 ВА и поддерживает 8 ВА, 24 В постоянного тока запускает 44 Вт и поддерживает 6 Вт)

| Модель продукта | Путь потока (мм) | Винтовая резьба (G) | Резюме | Рабочее давление (бар) | Габаритные размеры (мм) | ||
| Нормально закрытый тип | Нормально открытый тип | Нормально закрытый тип | |||||
| 220 В переменного тока | 24 В постоянного тока | А×Б×С | |||||
| YSE-010ES | 1 | 1/4 дюйма или 3/8 дюйма | 0.04 | 0~300 | 0~200 | 0~60 | 44×25×80 |
| YSE-015ES | 1.5 | 0.08 | 0~250 | 0~200 | 0~50 | 44×25×80 | |
| YSE-020ES | 2 | 0.15 | 0~180 | 0~120 | 0~30 | 44×25×80 | |
| YSE-025ES | 2.5 | 0.20 | 0~110 | 0~80 | 0~15 | 44×25×80 | |
| YSE-030ES | 3 | 0.25 | 0~80 | 0~40 | 0~10 | 44×25×80 | |
| YSE-040ES | 4 | 0.6 | 0~40 | 0~15 | 0~5 | 44×25×80 | |
| ЯСЭ-6ЭС | 6 | 1/8 дюйма | 0.7 | 2~160 | 2~100 | 50×30×86 | |
| ЯСЭ-8ES | 8 | 1/4 дюйма | 0.9 | 2~160 | 2~100 | 50×30×86 | |
| ЯСЭ-10ES | 10 | 3/8 дюйма | 3.5 | 6~160 | 6~120 | 6~50 | 60×55×109 |
| ЯСЭ-15ЭС | 15 | 1/2 дюйма | 4.7 | 6~160 | 6~120 | 6~50 | 70×65×119 |
| ЯСЭ-20ES | 20 | 3/4 дюйма | 7.0 | 6~160 | 6~120 | 6~50 | 80×74×124 |
| ЯСЭ-25ЭС | 25 | 1 ' | 11.0 | 6~160 | 6~120 | 6~50 | 90×87×134 |
Телефон: +86-532-82661521, 1522
+86 13730919470
Электронная почта: vera_yang@sinopowersd.cn
Вацап: +86 13730919470